Référence : 831
2,00 €
TTC
Ne pas saisir les 0 en début de référence.
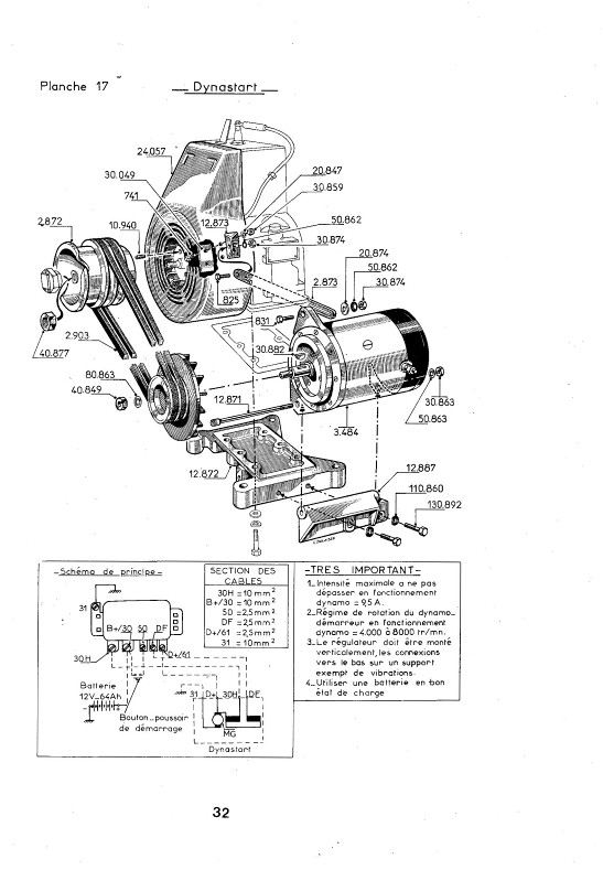
Pièces détachées BERNARD MOTEURS Moteur 19A - 39A - 139A - 239A - 29A - 49A - 249A Dynastart
Cliquez sur l'image ci-dessous pour zoomer
Ne pas saisir les 0 en début de référence.