Cde à distance

Pièces détachées  BERNARD MOTEURS W17B, W27B,W117B, W127B,W217B, W227B

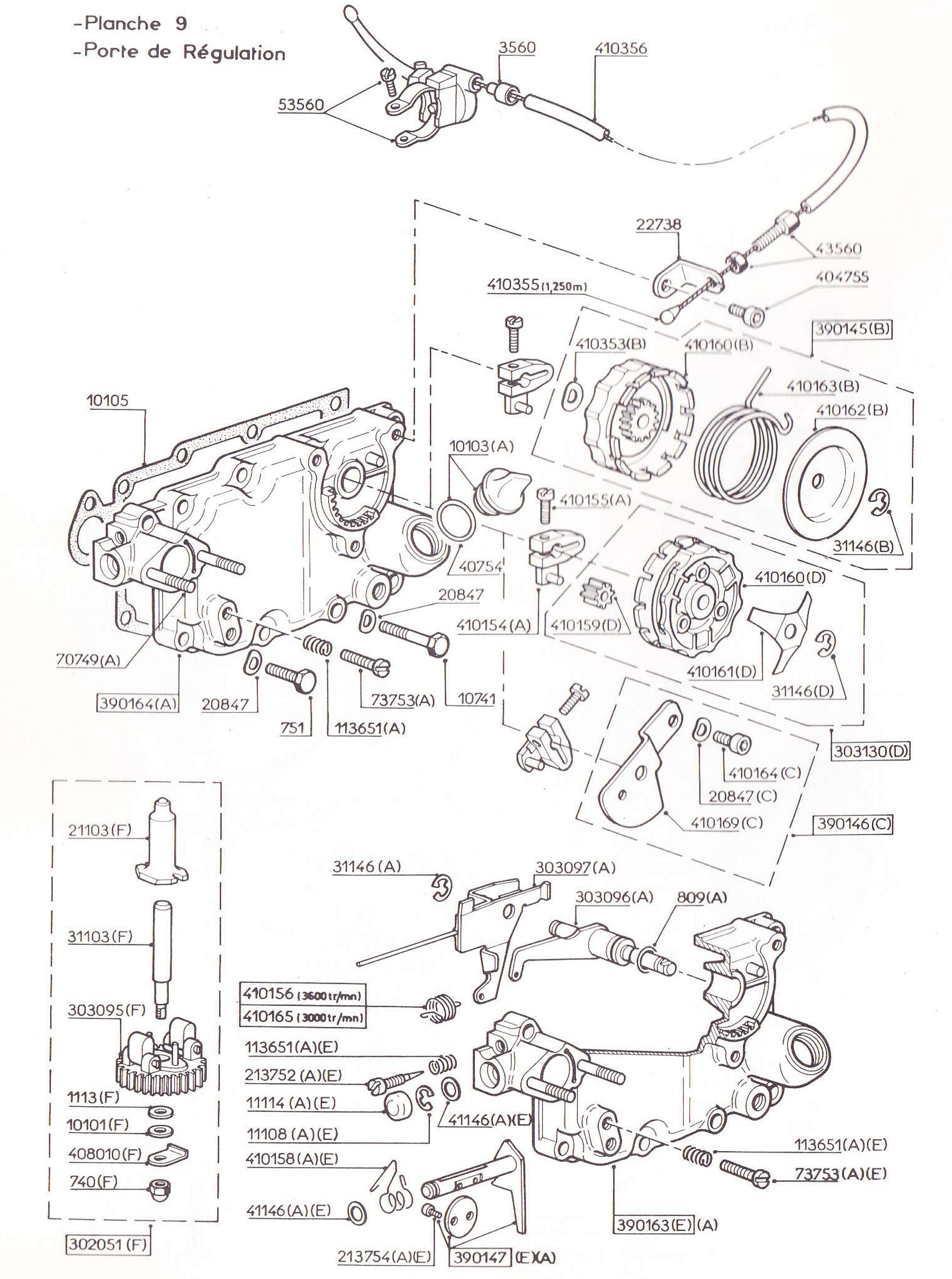
Pièces détachées BERNARD MOTEURS Moteur 17/117BIS - 217 - 27/127BIS - 227 Cde à distance

Cliquez sur l'image ci-dessous pour zoomer

Commande à distance

Ne pas saisir les 0 en début de référence.

Repère
Référence
Désignation
Prix