- Accueil
-
Pièces détachées
-
BERNARD MOTEURS
-
Moteur 17-27-117
-
Moteur 17/117BIS - 217 - 27/127BIS - 227
-
Moteur 317 - 327 - 417 - 427
-
Moteur 18-218-318
-
Moteur 18A-218A-28A-318A-328A
-
Moteur 18C - 318C - 328C
-
Moteur 19-39-139-239
-
Moteur 19A - 39A - 139A - 239A - 29A - 49A - 249A
-
Moteur 39B-239B-249B
-
Moteur 617 -717
-
Moteur 110/Bis 610 810
-
Moteur 110C-110TC-610C-810
-
Moteur 112/Bis/Ter
-
Moteur 112C/112TER
-
Moteur 181 - 182 - 211 - 212
-
Moteur 215-5006
- Pompe GMP 181-360
- Pompe GMP 211-530
- Pompe GMP 211-740
- Pompes 203 - 205
-
Moteur 17-27-117
-
STAUB
-
Accessoires
- MECABÊCHE MOTEUR ACTIVE
-
PPX
-
PP2X
-
PP2 PP3 PP4B
-
PP5 PP6B
-
5000-6000-6500-7000
-
6600
-
8100 K9 - 8500 K9 - 9600 K11
-
8000-9000-9500-9500D
-
8100
-
8500
-
9600
-
9600 D
-
9600 DEL
-
CHALLENGER
-
FARMER-HOBBY FARMER
-
FARMER HX
-
FARMER HX (EN709) VERSION 2011
-
FARMER H2SX
-
FARMER K1 (K800H)
-
FARMER K2S (K800H)
-
FARMER 5H
-
FARMER 5H (2019)
-
FARMER 5K
-
FARMER 5K (2019)
-
FARMER 5KD (2019)
-
JOGGER 7HX-KH-H-KP
-
JOGGER 7HX-7KH (2019)
-
JOGGER 7K
-
JOGGER 7K (2019)
-
JOGGER 7KD (2019)
-
JOGGER 7KM (2019)
-
MASTER
-
MASTER 5600
-
MAXTER H
-
MAXTER H4S - DEL4S
-
MAXTER DEL
-
RANCHER DEL S
-
MAXTER PRO
-
RANCHER D10
-
RANCHER D10 (EN709)
-
RANCHER D10 DEL (EN709)
-
RANCHER D10S
-
RANCHER 13S
-
RANCHER 13S (K1100 H)
-
RANCHER JUNIOR
-
RANCHER JUNIOR (EN709)
-
RANCHER K9
-
RANCHER LD9
-
RANCHER K1050S
-
RANCHER K1050 (EN709)
-
RANCHER K1065S
-
RANCHER K1065 (EN709)
-
RANCHER K11
-
RANCHER MASTERPLUS
-
RANCHER (Restyling 2009)
-
SUPERPRO
-
STX 350
-
STX 450-500-550-600-650-700-750
-
STR 50RK
-
SERIE 2000
- ST4900
- MECABÊCHE
-
MECABÊCHE M
-
MECABÊCHE (2010)
- MECABÊCHE (2017)
-
MECABÊCHE GX 50
- MAXIBECHE
- MAXIBECHE (2014)
-
MAXIBECHE 155K
- MICROBECHE
-
MICRO 4
- MICRO 4 (2012)
-
MICRO 25H
- MICRO 2 GX25
- MICROBINEUSE GX31
-
STPRO115 H (2019)
- ST250
- ST110 ANS
-
ST216 DE
-
ST216 DE (2017)
- ST300
- ST1761R
-
ST1940 R
-
ST1941 R
-
ST1941 R (série 2005301248)
-
ST 2030-3030-2050-3050
- ST2032-2051-2056
- ST2055
- ST2062
- ST2130
- ST2150-2340-2440
- ST2152 RP
- ST2152 RP (2011)
- ST2153 R- ST2752 R
- ST2153 RX
- ST2160 R
- ST2160 R (2016)
- ST2242 A nouvelle version
- ST2441R-2740R
- ST2242 A
- ST2442 R
- ST2442 R2D
- ST2451 RP
- ST2451 RP (1999)
- ST2451 RP-2151 RP
- ST2462 RL (2010)
- ST2462 RL PRO
- ST2560
-
ST2565
- ST2640 R
- ST2640 R Évo
- ST2640 R (2011)
- ST2640 R NM
- ST2640 RD (2012)
- ST2650 RP
- ST2660 RP
- ST2660 RP NM
- ST2660 RP (2016)
- ST2765R
- ST2960 R (2016)
- ST2960 R (2021)
- ST2661 R
- ST 2662 RL
- ST2662 RL NM
- ST2662 RL CARTER RENFORCE
- ST2662 RX
-
ST2662 RX (2016)
-
ST2662 RX NM
- ST2750RX - 2752RX
- ST2751-ST2741
- ST2860 R
-
ST2960 R
- ST2966 DE
-
ST3060 R2
-
ST3060 R2 (2017)
-
ST3100-3240-3750
- ST3200
-
ST3225
-
ST3226
-
ST3250
-
ST3460
-
ST3560
- ST3565
-
STV 3600
- STV 3600 ( à partir du num de série 1610301310)
-
STV 3600 FL
-
STV 3600 P
-
ST3660 S2
- ST3660 S2 (2017)
-
ST3760
- ST3765
-
STV 3800
- ST4661F2
- ST4661F2LB
- ST4672 CF (2011)
- ST4672 CFLB (2011)
- ST4862 F2
-
ST5460 RL PRO
-
ST4225-4225D
-
ST4340-4450-4550C
-
ST4600D
- outils et accessoires pour série 3000 et 4000
-
ST4300-ST4600
- ST3400
- ST4452 C avec déclabotage
- ST4452 C sans déclabotage
- ST4452C
- ST4600
-
ST4660 F
- ST4660 CF-CFL
-
ST4661 F-FL-FLB
-
ST4661F-FLB SUBARU
- ST4660CF-ST4661FL ACCESOIRES
- ST4672 CF - CFLB
-
ST4662 FLB
-
STA 54 (2009)
-
STA 54 FRAISE AVANT
-
ST6476
- TILLENCE
-
RM4
-
480 H ROTOBINEUSE
-
480 R num sér 1912301965 Rotobineuse
-
STR 55 Version 2010 Rotobineuse
-
STR 56 Rotobineuse
-
480 R Version 2020 Rotobineuse
-
480 R Version 2025 ROTOBINEUSE
-
STI 50 STI 50
-
ROTO 480 B COMFORT Version 2015 Rotobineuses
-
ROTO 480 B COMFORT Version 2018 Rotobineuses
-
ROTO 480 R et B Version 2014 Rotobineuse
-
ROTO 480 R et B Version 2015 Rotobineuse
-
ROTO 480 R et B Version 2018 Rotobineuse
-
Accessoires
-
Oléo-Mac
-
MH 155 k
-
MH 2 Microbineuse
-
MH 130
-
MH 165
-
MH 150R - MH 150RX
-
MH 150 RKS (K700 H - SN T210)
-
MH 160 (EN709)
-
MH 165 R
-
MH 166 (série 2005301248)
-
MH 170 RKS (K700 H SN T210)
-
MH 180 (EN709)
-
MH 180 RKS (K800 H - SN T210)
-
MH 180R
-
MH 180RK (K700 H - SN T210) (EN709)
-
MH 190 (EN709)
-
MH 190R - MH 190RX (EN709)
-
MH 198 RKS (K800 HC - EURO5)
-
RC 350
-
MH 197 RK (K800 HC)
-
MH 166R
-
MH 150RK (K700 H - SN T210)
-
MH 210R (EN709)
-
MH 250 R (EN709)
-
MH 260 R (EN709)
-
MH 155 k
-
NIBBI
-
010
-
055
-
090 R - 090 RX
-
090 RK (K700 H - SN T210)
-
095 (K800 HT - SN TA32)
-
095 S (K800 HT - EURO5)
-
100
-
101 (EN 709)
-
101 (Fino/Until 2009)
-
102 (EN 709)
-
102 (EN 709) (K800 H - SN T210)
-
102 (Fino/Until 2009)
-
102 S
-
102 S (K800 H - SN T210)
-
104 (K800 HC)
-
104 S (K800 HC)
-
105 (K800 HC)
-
105 S (K800 HC - EURO5)
-
106 (EN 709)
-
106 (Fino/Until 2009)
-
110
-
110 (Fino/Until 2009)
-
112 (EN 709)
-
112 (Fino/Until 2009)
-
112 (Fino/Until 2011)
-
115 (2019)
-
115 S
-
115 (EN 709)
-
115 (EN 709) (K800 H - SN T210)
-
115 (Fino/Until 2009)
-
115 (Fino/Until 2011)
-
115 (2019) (K7000 HD)
-
115 (2019) (K800 H)
-
118 (K900 HR) - EURO5
-
119
-
119 (Fino/Until 2009)
-
121
-
122
-
121 (Fino/Until 2009)
-
122 (Fino/Until 2009)
-
160 (EN 709)
-
160 (Fino/Until 2009)
-
194
-
600
-
BRIK (K700 H)
-
BRIK 1 S
-
BRIK 1 (EN 709)
-
BRIK 1 EMAK (EN 709)
-
BRIK 1 (Fino/Until 2009)
-
BRIK 1 (Fino/Until 2012)
-
BRIK 3 (EN 709)
-
BRIK 3 (Fino/Until 2009)
-
BRIK 3 (Fino/Until 2012)
-
BRIK 5 S
-
KAM 4 (EN 709)
-
KAM 4 (Fino/Until 2009)
-
KAM 4 (Fino/Until 2012)
-
KAM 5 (EN 709)
-
KAM 5 HF
-
KAM 5 HF (EN 709)
-
KAM 5 (Fino/Until 2009)
-
KAM 5 (Fino/Until 2012)
-
KAM 5 JUNIOR (Solo per il mercato francese)
-
KAM 5 JUNIOR (Solo per il mercato francese) EN 709
-
KAM 7 S
-
KAM 13 S
-
MAK 17 S
-
MAK 18 S
-
MAK 16 (EN 709)
-
MAK 16 (Fino/Until 2009)
-
MAK 16 (Fino/Until 2012)
-
MAK 17 (Fino/Until 2009)
-
MAK 17
-
MAK 18 (Fino/Until 2009)
-
MAK 18
-
010
-
EFCO
-
MZ 2055 K
-
MZ 2075 RKS (K800 HT - EURO5)
-
MZ 2098 RKS (K800 HC - EURO5)
-
MZ 2000
-
MZ 2030
-
MZ 2050 RKS (K700 H - T210)
-
MZ 2050 RS
-
MC 350
-
MC 400 (K700 H)
-
MC 405 S
-
MC 418 S
-
MZ 2050 RXS
-
MZ 2050R - MZ 2050RX
-
MZ 2050RK (K700 H - SN T210)
-
MZ 2060 (EN709)
-
MZ 2055 K
- VICTUS
-
BERTOLINI
-
020
-
110 (K700 H) Motofaucheuse
-
155
-
190 R - 190 RX
-
190 RK (K700 H - SN T210)
-
190 S (K700 H - SN T210)
-
195 (K800 HT - SN TA32)
-
195 S (K800 HT - EURO5)
-
201 (EN 709)
-
201 (Fino/Until 2009)
-
202 (EN 709)
-
202 (Fino/Until 2009)
-
202 S
-
202 S (K800 H - SN T210)
-
203
-
204
-
204 (K800 HC)
-
204 S (K800 HC)
-
205 (K800 HC)
-
205 S (K800 HC - EURO5)
-
206 (EN 709)
-
206 (Fino/Until 2009)
-
207
-
208
-
209
-
210
-
210 (Fino/Until 2009)
-
211
-
212 (EN 709)
-
212 (Fino/Until 2009)
-
212 (Fino/Until 2011)
-
215 (2019)
-
215 (2019) (K7000 HD)
-
215 (2019) (K800 H)
-
215 (EN 709)
-
215 (EN 709) (K800 H - SN T210)
-
215 (Fino/Until 2009)
-
215 (Fino/Until 2011)
-
215 S
-
218 D (K7000 HDR) - EURO5
-
219
-
219 (Fino/Until 2009)
-
221
-
221 (Fino/Until 2009)
-
222
-
222 (Fino/Until 2009)
-
260 (EN 709)
-
260 (Fino/Until 2009)
-
262 (EN 709)
-
262 (Fino/Until 2009)
-
293
-
294
-
295
-
400 (K700 H)
-
401 S
-
401 (EN 709)
-
401 EMAK (EN 709)
-
401 (Fino/Until 2009)
-
401 (Fino/Until 2012)
-
403 (EN 709)
-
405
-
405 S
-
406
-
407 S
-
411 (EN 709)
-
411 (Fino/Until 2009)
-
411 (Fino/Until 2012)
-
413 S
-
417 S
-
418 S
-
BT 350
-
Motore K1100 H (EURO5)
-
MOTORE K900 H
-
MOTORE K9000 HD (Diesel)
-
316 (EN 709)
-
020
-
BERNARD MOTEURS
- Consommables
- Moteurs neufs
- Contact
Ne pas saisir les 0 en début de référence.
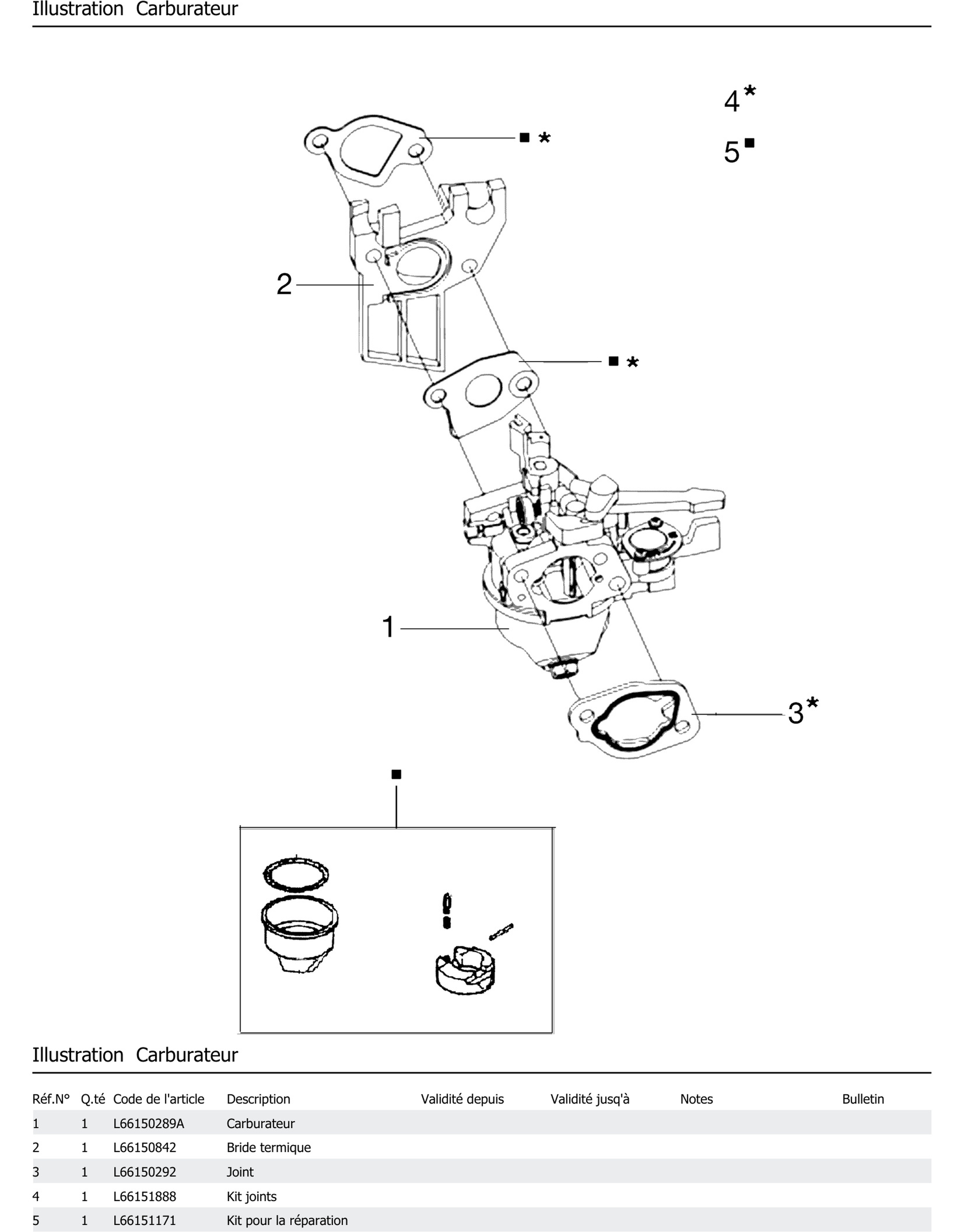
Carburateur
Pièces détachées NIBBI 104 S (K800 HC) Carburateur
Cliquez sur l'image ci-dessous pour zoomer

Pièces détachées Carburateur. Schéma éclaté et références d'origine.