Référence : L66150289A
34,30 €
TTC
Ne pas saisir les 0 en début de référence.
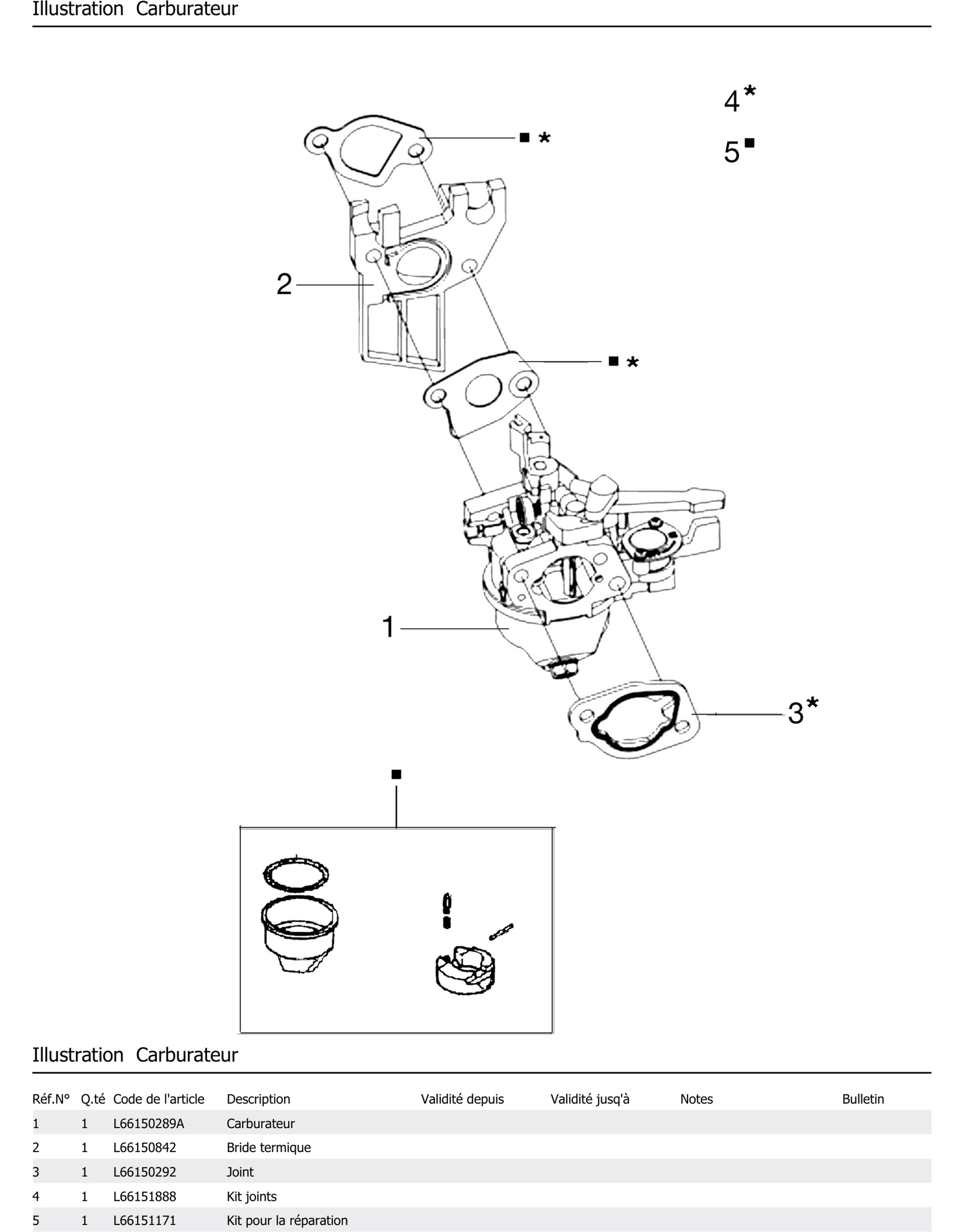
Pièces détachées NIBBI 105 (K800 HC) Carburateur
Cliquez sur l'image ci-dessous pour zoomer

Pièces détachées Carburateur. Schéma éclaté et références d'origine.
Ne pas saisir les 0 en début de référence.